Nordic发布开源二代功耗测量套件Power Profiler Kit II,分辨率达100nA,测量范围拓宽至1A以内
Nordic发布了新一代的功耗测量套件——Power Profiler Kit II,其分辨率高达100nA,测量范围覆盖从200nA到1A,这款套件更为突出的是其开源特性,将极大地推动技术创新和定制化需求,这一全新工具旨在帮助开发人员更精确地评估和优化设备的功耗性能,从而推动低功耗设备的进一步发展。
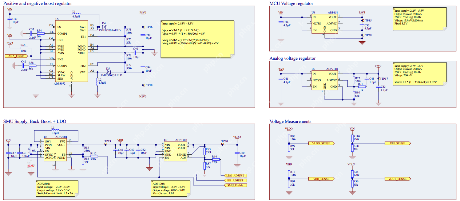
nordic发布的二代功耗测量套件power profiler kit ii,其设计难点主要集中在硬件方面。不过,nordic已将其完全开源,包括pcb、bom、gerber文件以及带有注释的原理图等。

PCA63100-Power Profiler Kit II - HW Files - 1_0_1.zip (11.39 MB) 规格:
效果:
值得一提的是,原理图上还提供了详细的注释,方便用户理解和使用。
此外,上位机的界面也得到了优化,提升了用户体验。

网友留言(0 条)